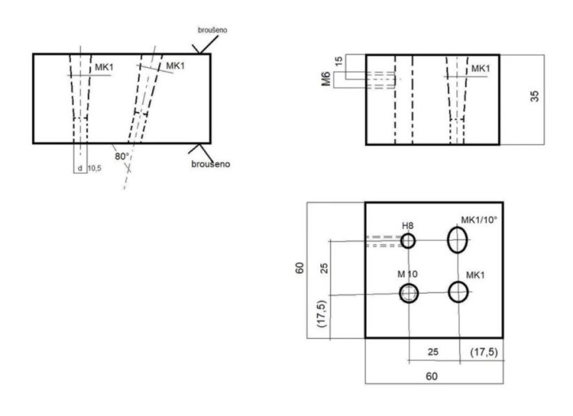
Držák orovnávačů na brusku na plocho - magnetku č.v.200518-1A kostka se čtyřmi otvoryD8 /Mk1 /Mk1 pod úhlem
kostka se čtyřmi otvory:
pro jednokamenné orovnávače Mk1 (pod úhlem)
pro vícezrnné orovnávače Mk1 (kolmé)
pro orovnávače průměr 8 mm se zajišťovacím šroubkem
a s odtlačovacím šroubem M10 (imbus) pro usnadnění odepnutí z magnetu
Kód produktu: N držák 200518-1A Doprava a platba
