Vnikací těleso Rockwell HPD25C + atest
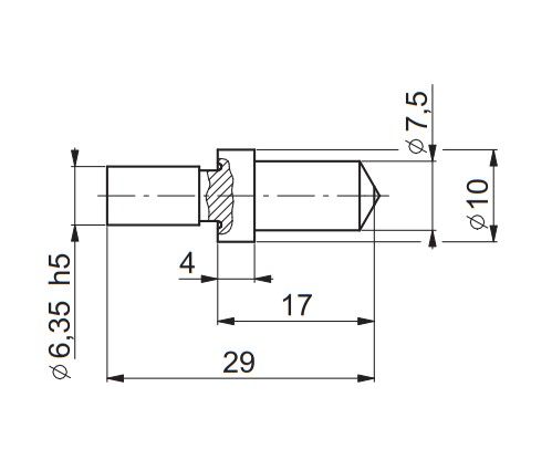
Vnikací tělísko pro měření tvrdosti dle Rockwell je vyrobeno z přírodního diamantu broušeného do kuželu 120° s kulovitou špičkou r=0,20. Na objednávku.
Kód produktu: 16-01Rockwell-DIA HPD25C+ Doprava a platba
Vnikací tělísko pro měření tvrdosti dle Rockwell je vyrobeno z přírodního diamantu broušeného do kuželu 120° s kulovitou špičkou r=0,20. Na objednávku.
Kód produktu: 16-01Rockwell-DIA HPD25C+ Doprava a platba